応用情報技術者 2021年 春期 午前2 問23
問題文
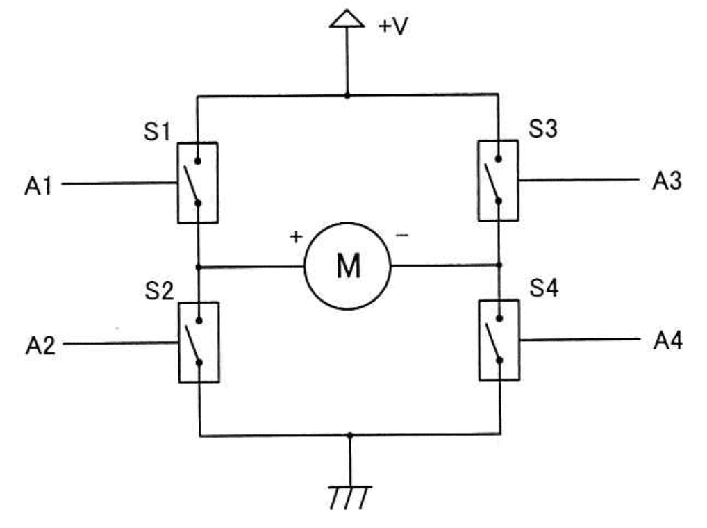
図は DC モータの正転逆転制御の動作原理を示す回路である。A1 から A4の四つの制御信号の組合せの中で、モータが逆転するものはどれか。ここで、モータの+端子から端子に電流が流れるときモータは正転し、S1 から S4のそれぞれのスイッチ素子は、対応する A1 から A4の制御信号がそれぞれ Highのとき導通するものとする。


選択肢
ア:
イ:
ウ:(正解)
エ:
DCモータの正転逆転制御の動作原理【午前2 解説】
要点まとめ
- 結論:モータが逆転するのは、A2とA3がHighで、A1とA4がLowの組合せ(選択肢ウ)です。
- 根拠:Hブリッジ回路のスイッチ導通パターンにより、モータ端子の電圧極性が逆転するためです。
- 差がつくポイント:各スイッチの導通状態とモータ端子間の電流方向を正確に把握し、極性反転を理解することが重要です。
正解の理由
選択肢ウは、A2とA3がHighでスイッチS2とS3が導通し、A1とA4がLowでS1とS4は非導通です。
この状態では、モータの「+」端子はGNDに接続され、「-」端子は+Vに接続されるため、電流がモータの「-」端子から「+」端子へ流れ、逆方向の回転(逆転)を引き起こします。
他の選択肢は、モータの「+」端子が+Vに接続され、「-」端子がGNDに接続されるか、どちらも接続されないため逆転しません。
この状態では、モータの「+」端子はGNDに接続され、「-」端子は+Vに接続されるため、電流がモータの「-」端子から「+」端子へ流れ、逆方向の回転(逆転)を引き起こします。
他の選択肢は、モータの「+」端子が+Vに接続され、「-」端子がGNDに接続されるか、どちらも接続されないため逆転しません。
よくある誤解
モータの回転方向は単にHighの数や組み合わせで決まると思い込みがちですが、実際にはスイッチの接続先と電流の流れを正確に理解する必要があります。
また、同時に上下のスイッチが導通するとショートするため、その組み合わせは除外されます。
また、同時に上下のスイッチが導通するとショートするため、その組み合わせは除外されます。
解法ステップ
- 各制御信号(A1~A4)がHighのとき対応スイッチ(S1~S4)が導通することを確認する。
- 導通するスイッチの接続先(+V、GND、モータ端子)を図から読み取る。
- モータの「+」端子と「-」端子の電圧極性を判定する。
- 電流の流れる方向を考え、モータの回転方向(正転か逆転か)を判断する。
- 逆転となる組合せを選択肢から特定する。
選択肢別の誤答解説
- ア(全Low):全スイッチ非導通でモータに電流が流れず、回転しません。
- イ(A2とA4がHigh):S2とS4が導通し、モータの両端がGNDに接続されるかショート状態で逆転しません。
- ウ(A2とA3がHigh):S2とS3が導通し、モータ端子の極性が逆転し、モータが逆転します。
- エ(A1とA4がHigh):S1とS4が導通し、モータの「+」端子が+Vに、「-」端子がGNDに接続され正転します。
補足コラム
この回路は「Hブリッジ」と呼ばれ、DCモータの正転・逆転制御に広く使われています。
Hブリッジは4つのスイッチを組み合わせてモータ端子の電圧極性を切り替え、回転方向を制御します。
スイッチの同時導通によるショートを防ぐため、制御信号の組み合わせには注意が必要です。
Hブリッジは4つのスイッチを組み合わせてモータ端子の電圧極性を切り替え、回転方向を制御します。
スイッチの同時導通によるショートを防ぐため、制御信号の組み合わせには注意が必要です。
FAQ
Q: なぜスイッチS1とS2、またはS3とS4を同時に導通させてはいけないのですか?
A: それらは電源の+VとGNDを直接ショートさせるため、回路が破損する恐れがあります。
A: それらは電源の+VとGNDを直接ショートさせるため、回路が破損する恐れがあります。
Q: モータの回転方向はどうやって判別しますか?
A: モータの「+」端子から「-」端子へ電流が流れると正転し、逆に流れると逆転します。
A: モータの「+」端子から「-」端子へ電流が流れると正転し、逆に流れると逆転します。
Q: Hブリッジ回路の利点は何ですか?
A: 単一の電源でモータの回転方向を自在に制御できる点です。
A: 単一の電源でモータの回転方向を自在に制御できる点です。
関連キーワード: DCモータ制御、Hブリッジ回路、正転逆転制御、電流方向、スイッチ制御

\ せっかくなら /
応用情報技術者を
クイズ形式で学習しませんか?
クイズ画面へ遷移する→
すぐに利用可能!

