応用情報技術者 2014年 秋期 午前2 問21
問題文
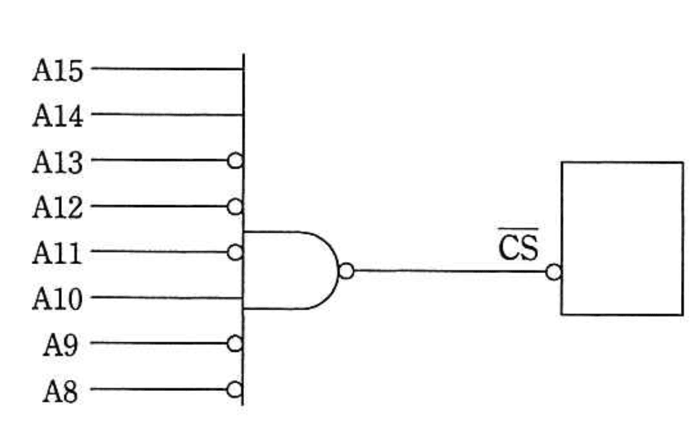
図の回路を用いてアドレスバスからCS信号を作る。CS 信号が Lのときのアドレス範囲はどれか。ここで、アドレスバスは A0〜A15の16本で、A0が LSB とする。ま また、解答群の数値は16進数である。

選択肢
ア:3B00〜3BFF
イ:8300〜9BFF
ウ:A400〜A4FF
エ:C400〜C4FF(正解)
アドレスデコーダ回路のCS信号生成【午前2 解説】
要点まとめ
- 結論:CS信号がLになるアドレス範囲は「C400〜C4FF」である。
- 根拠:NANDゲートの入力に対し反転バブルの有無から各ビットの論理状態を読み取り、アドレス範囲を特定する。
- 差がつくポイント:反転バブルの意味を正確に理解し、アドレスビットの固定値を正しく判別できるかが鍵。
正解の理由
この回路はA15〜A8の8本のアドレス線を入力とした8入力NANDゲートで、出力に反転バブルがあるため、CS信号はアクティブロー(Lで選択)です。
各入力線の接続点に反転バブルがあるかないかで、そのビットが「0」か「1」に固定されていることを示します。
各入力線の接続点に反転バブルがあるかないかで、そのビットが「0」か「1」に固定されていることを示します。
- 反転バブルなし(非反転入力) → 入力は「1」
- 反転バブルあり(反転入力) → 入力は「0」
図の情報から:
- A15, A14, A10 は反転バブルなし → これらのビットは「1」
- A13, A12, A11, A9, A8 は反転バブルあり → これらのビットは「0」
よって、A15〜A8のビットは
A15=1, A14=1, A13=0, A12=0, A11=0, A10=1, A9=0, A8=0
となり、16進数で表すと「1100 0000 0100 0000」=「C400」から始まる範囲です。
A15=1, A14=1, A13=0, A12=0, A11=0, A10=1, A9=0, A8=0
となり、16進数で表すと「1100 0000 0100 0000」=「C400」から始まる範囲です。
NANDゲートの出力がLになるのは入力がすべて「1」のときなので、A15〜A8がこの固定値のときCSがL。
A7〜A0は指定されていないため、下位8ビットは任意で、範囲は「C400〜C4FF」となります。
A7〜A0は指定されていないため、下位8ビットは任意で、範囲は「C400〜C4FF」となります。
よくある誤解
反転バブルの意味を逆に解釈し、0と1の割り当てを誤ることが多いです。
また、NANDゲートの出力の反転を見落とし、CS信号のアクティブレベルを誤認することもあります。
また、NANDゲートの出力の反転を見落とし、CS信号のアクティブレベルを誤認することもあります。
解法ステップ
- 回路図の反転バブルの有無を確認し、各アドレスビットの論理状態を判定する。
- 反転バブルなしは「1」、ありは「0」と読み取る。
- A15〜A8のビット列をまとめて16進数に変換する。
- NANDゲートの出力に反転バブルがあるため、入力がすべて「1」のときCSがLになることを理解する。
- 下位8ビット(A7〜A0)は指定がないため、範囲は固定ビットの上位8ビットに対応する256アドレス分となる。
- 選択肢の中から該当するアドレス範囲を選ぶ。
選択肢別の誤答解説
- ア: 3B00〜3BFF
→ A15〜A8のビットパターンが合わず、反転バブルの条件に一致しない。 - イ: 8300〜9BFF
→ 範囲が広すぎて、固定ビットの条件を満たさない。 - ウ: A400〜A4FF
→ A15〜A8のビットが異なり、反転バブルの配置と不整合。 - エ: C400〜C4FF
→ 反転バブルの論理状態と一致し、正しいアドレス範囲。
補足コラム
アドレスデコーダはメモリや周辺機器の選択信号生成に不可欠です。
反転バブルは論理回路図で信号の反転を示す重要な記号で、正確な理解が合否を分けます。
NANDゲートの出力に反転バブルがある場合、入力がすべて「1」のとき出力は「0」(アクティブロー)となる点も押さえましょう。
反転バブルは論理回路図で信号の反転を示す重要な記号で、正確な理解が合否を分けます。
NANDゲートの出力に反転バブルがある場合、入力がすべて「1」のとき出力は「0」(アクティブロー)となる点も押さえましょう。
FAQ
Q: 反転バブルがある入力はなぜ「0」と判断するのですか?
A: 反転バブルは入力信号を反転してNANDゲートに渡すため、入力が「0」のときゲートには「1」が入ることを意味します。
A: 反転バブルは入力信号を反転してNANDゲートに渡すため、入力が「0」のときゲートには「1」が入ることを意味します。
Q: なぜ下位8ビットは範囲に含めてよいのですか?
A: 回路図ではA7〜A0はデコーダに関与していないため、これらのビットは任意で変化し、256アドレス分の範囲が選択されます。
A: 回路図ではA7〜A0はデコーダに関与していないため、これらのビットは任意で変化し、256アドレス分の範囲が選択されます。
関連キーワード: アドレスデコーダ、NANDゲート、反転バブル、アクティブロー、CS信号、論理回路

\ せっかくなら /
応用情報技術者を
クイズ形式で学習しませんか?
クイズ画面へ遷移する→
すぐに利用可能!

