応用情報技術者 2015年 春期 午前2 問22
問題文
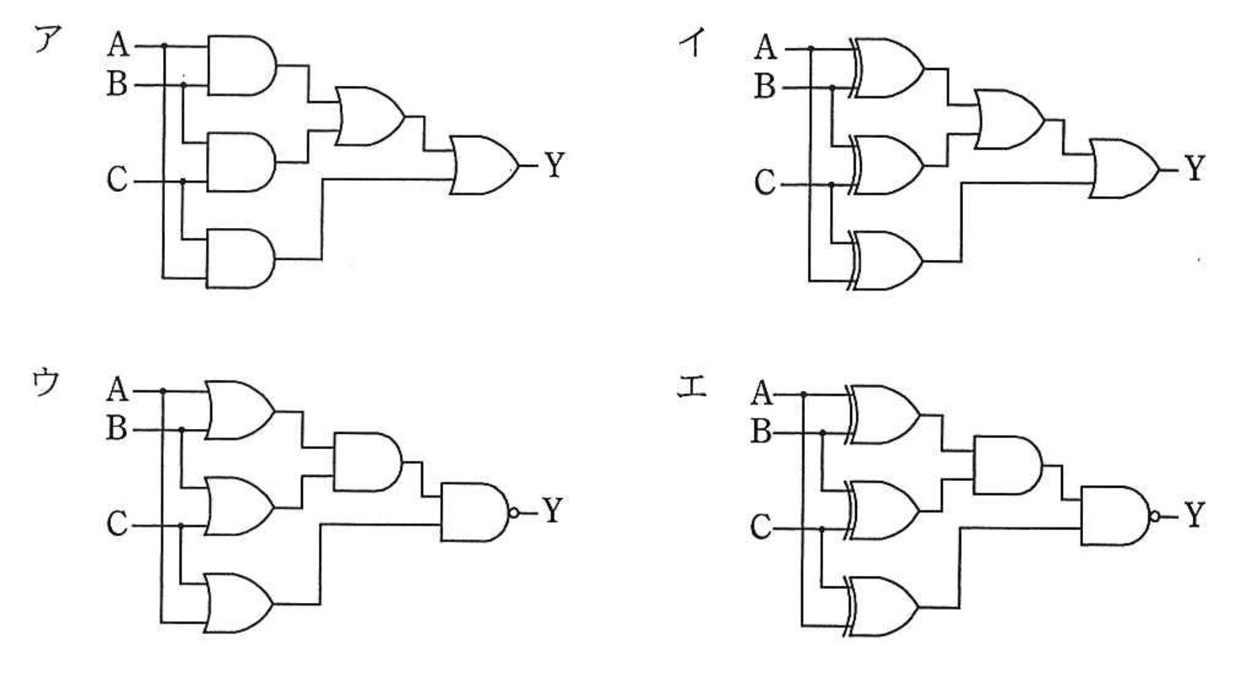
真理値表に示す3入力多数決回路はどれか。


選択肢
ア:(正解)
イ:
ウ:
エ:
3入力多数決回路の真理値表から回路を選ぶ問題【午前2 解説】
要点まとめ
- 結論:3入力多数決回路は、入力のうち2つ以上が1のときに出力が1になる回路であり、選択肢アの回路が該当します。
- 根拠:真理値表の出力Yは、A, B, Cのうち2つ以上が1のときに1となっているため、2入力ANDゲートで各ペアの積を取り、それらをORゲートで合成する回路構成が適合します。
- 差がつくポイント:多数決回路の論理式を正しく理解し、ANDとORゲートの組み合わせで表現できるかが鍵です。NANDや否定付きゲートの回路は多数決の基本形とは異なります。
正解の理由
選択肢アは、3つの2入力ANDゲートで入力のペア(A・B、B・C、C・A)を検出し、それらの出力を2段階のORゲートで合成しています。これにより、2つ以上の入力が1のときに出力Yが1となり、真理値表の多数決回路の動作と一致します。
よくある誤解
多数決回路は単純にORゲートやANDゲートだけで作れると思い込みがちですが、2つ以上の入力が1のときに出力が1になる論理式を正確に理解する必要があります。
解法ステップ
- 真理値表を確認し、出力Yが1となる条件を整理する(入力が2つ以上1のとき)。
- 多数決回路の論理式を導出する:。
- 選択肢の回路図を論理式に照らし合わせる。
- ANDゲートでペアの積を取り、ORゲートで合成している回路を選ぶ。
- 選択肢アが論理式と一致するため正解と判断する。
選択肢別の誤答解説
- イ:NANDゲートを多用し、否定が多いため多数決の基本論理式とは異なり、出力が反転する可能性が高い。
- ウ:ORゲートとANDゲートの組み合わせに否定が含まれ、多数決の論理式とは異なる形で動作する。
- エ:NANDゲートとANDゲートの組み合わせで否定が多く、真理値表の多数決回路の動作と一致しない。
補足コラム
多数決回路は、3入力の場合、という論理式で表されます。これは「3つの入力のうち2つ以上が1ならば出力1」という条件を満たします。回路設計ではANDゲートでペアの積を取り、ORゲートで合成するのが基本的な構成です。NANDやNORゲートを使う場合は、論理の否定やド・モルガンの法則を適用して等価回路を作りますが、基本形を理解することが重要です。
FAQ
Q: 多数決回路の論理式はどうやって導出しますか?
A: 3入力のうち2つ以上が1のとき出力1なので、2入力ANDの組み合わせ、、をORで結合した式となります。
A: 3入力のうち2つ以上が1のとき出力1なので、2入力ANDの組み合わせ、、をORで結合した式となります。
Q: NANDゲートだけで多数決回路を作れますか?
A: はい、NANDゲートだけでも作れますが、論理式を否定形に変換し、ド・モルガンの法則を使って設計する必要があります。
A: はい、NANDゲートだけでも作れますが、論理式を否定形に変換し、ド・モルガンの法則を使って設計する必要があります。
関連キーワード: 多数決回路、真理値表、論理回路、ANDゲート、ORゲート、論理式、ド・モルガンの法則

\ せっかくなら /
応用情報技術者を
クイズ形式で学習しませんか?
クイズ画面へ遷移する→
すぐに利用可能!

